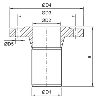
Connector with flange and spigot
Product benefits
ACO pipe used toggether with other ACO drainage products provides complex building drainage solution:
- Hygienic design following EN 1672, EN ISO 14159 and EHEDG document 8, 13 and 44
- Resistant to thermal and dynamic shocks
- Fast, reliable and cost-effective installation
- Sagging-proof
- Non-combustible
- Rodent-proof
Product information
- Stainless steel ACO pipe system is designed for gray and black water, rainwater and industrial waste water drainage applications
- Suitable for both syphonic, vacuum and gravity drainage solutions
- Double lip seal push-fit connection for easy and reliable installation


